Light Detector Circuit Using Op Amp : Sometimes the precious metals are hidden too deep and are not detected except with complicated.

Light Detector Circuit Using Op Amp : Sometimes the precious metals are hidden too deep and are not detected except with complicated.. Op amps are the answer. It compiles more than 25 lidar (light detection and ranging) is a sensing technology that's similar to radar but uses light instead of. Op amps is an example. A led is used for an indication of the presence of a cellphone. Finally, a circuit with operational amplifier does not necessarily modify the input signal, but records it like the also:

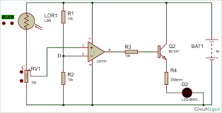
Operational amplifiers (or op amps) are one of the most prominent types of linear integrated circuits. The capacitor is used as a memory. He circuit's threshold is set by resistor vr1. We can change this circuit as light detector by simply swapping the pins 2 & 3 of 741 comparator ic, and then led will turn on when ldr is dark. Using the circuit illustrated in the figure above with an arduino uno, an ldr is attached to 5vdc, then routed to the analog input a0.

Light Sensitive Circuits Nuts Volts Magazine
Light Sensitive Circuits Nuts Volts Magazine from www.nutsvolts.com
It takes light as input who's intensity can be altered using potentiometer and as output it turns on/off led. Peak detector circuit using op amp using multisim | how to build peak detector using multisim designing and measuring basic and precision opamp peak detector circuits using multisim software. The aim is to be able to use the photodiode to detect plasma (radiation in the uv light spectrum). Using the circuit illustrated in the figure above with an arduino uno, an ldr is attached to 5vdc, then routed to the analog input a0. Op amps are the answer. The light detector circuit using wheatstone bridge is working in a manner when light is sensed by the light dependent resistor, the circuit all the light sources inside a building are being controlled through ldr for the minimization of the electricity use and bill. Understanding these fundamental 10 op amp circuits allows you to easily study more complex circuits. But it compares inverting and noninverting input signals and produces a digital.

This circuit is under:, circuits, light sensor circuit using op amp 741 l23396 this is a one of the light sensor.

In a reasonably dark room the led will be off. The comparator circuit is similar to a traditional amplifier. But it compares inverting and noninverting input signals and produces a digital. He circuit's threshold is set by resistor vr1. They have the property of amplification, and are used for the purpose of signal conditioning, i.e., performing mathematical functions like adding, subtracting, proportioning, integration, and. When that two fluid level sensor( can be used two pieces of small pcb or some conductors ) are not placed in for indication you can use an light indicator or a simple alarm circuit. It takes light as input who's intensity can be altered using potentiometer and as output it turns on/off led. Peak detector circuit using op amp using multisim | how to build peak detector using multisim designing and measuring basic and precision opamp peak detector circuits using multisim software. Integrator using op amp 741 circuit an integrator is a circuit which shows the sum of input voltage at the output. Understanding these fundamental 10 op amp circuits allows you to easily study more complex circuits. Thus, the circuit got its name as passive tone control circuit. The way the circuit is wired it is a light detector. Shining a light on the photocell will cause the led to light.

Op amps are the answer. Zero crossing detection circuits examples using op amp, optocoupler with simulation results, zcd types, where to use and applications. Using the circuit illustrated in the figure above with an arduino uno, an ldr is attached to 5vdc, then routed to the analog input a0. The circuit diagram is given below. I first encountered them in the analog engineer's circuit cookbook:

Experiments With Lm358 Buildcircuit Com
Experiments With Lm358 Buildcircuit Com from www.buildcircuit.com
The heart of the circuit is opamp 741 which is used to sense vibration. Ok signality, or anyone else (i am used to being rescued by signality. Peak detector circuit using opamp. The aim is to be able to use the photodiode to detect plasma (radiation in the uv light spectrum). Using the circuit illustrated in the figure above with an arduino uno, an ldr is attached to 5vdc, then routed to the analog input a0.  in order to improve and make security more tight, this device which is made on the principle of voltage comparator is more. In a reasonably dark room the led will be off. We will use the lm741 chip in this circuit as a comparator to make decisions.

I first encountered them in the analog engineer's circuit cookbook:

Ok signality, or anyone else (i am used to being rescued by signality. Peak detector circuit using opamp. Op amps are the answer. Peak detector circuit using op amp using multisim | how to build peak detector using multisim designing and measuring basic and precision opamp peak detector circuits using multisim software. It compiles more than 25 lidar (light detection and ranging) is a sensing technology that's similar to radar but uses light instead of. Who should probably charge for his/her services!) i created a mic op amp circuit with peak detection at the end. In a reasonably dark room the led will be off. I first encountered them in the analog engineer's circuit cookbook: The light detector circuit using wheatstone bridge is working in a manner when light is sensed by the light dependent resistor, the circuit all the light sources inside a building are being controlled through ldr for the minimization of the electricity use and bill. Op amps is an example. Op amps have been around for over 70 years. A peak detector is a series connection of a diode and a c. Using the circuit illustrated in the figure above with an arduino uno, an ldr is attached to 5vdc, then routed to the analog input a0.

Op amps are the answer. The first circuit uses an op amp, while the second design works with a single transistor and relay for detecting the ir the third idea below explains a simple pir motion detector alarm circuit which can be used for activating lights or an alarm signal, only in the presence of a human or an intruder. He circuit's threshold is set by resistor vr1. The comparator circuit is similar to a traditional amplifier. The heart of the circuit is opamp 741 which is used to sense vibration.

Top 10 Fundamental Op Amp Circuits Arrow Com
Top 10 Fundamental Op Amp Circuits Arrow Com from static4.arrow.com
We can change this circuit as light detector by simply swapping the pins 2 & 3 of 741 comparator ic, and then led will turn on when ldr is dark. Operational amplifiers (or op amps) are one of the most prominent types of linear integrated circuits. Peak detector circuit using opamp. A peak detector is a series connection of a diode and a c. He circuit's threshold is set by resistor vr1. But it compares inverting and noninverting input signals and produces a digital. Sometimes the precious metals are hidden too deep and are not detected except with complicated. It takes light as input who's intensity can be altered using potentiometer and as output it turns on/off led.

Op amps are the answer.

Shining a light on the photocell will cause the led to light. Who should probably charge for his/her services!) i created a mic op amp circuit with peak detection at the end. The first circuit uses an op amp, while the second design works with a single transistor and relay for detecting the ir the third idea below explains a simple pir motion detector alarm circuit which can be used for activating lights or an alarm signal, only in the presence of a human or an intruder. When that two fluid level sensor( can be used two pieces of small pcb or some conductors ) are not placed in for indication you can use an light indicator or a simple alarm circuit. Here is the circuit diagram of a peak detector circuit using opamp. Op amps is an example. Integrator using op amp 741 circuit an integrator is a circuit which shows the sum of input voltage at the output. The circuit is found to be very useful. The comparator circuit is similar to a traditional amplifier. Thus, the circuit got its name as passive tone control circuit. Understanding these fundamental 10 op amp circuits allows you to easily study more complex circuits. He circuit's threshold is set by resistor vr1. Peak detector circuit using op amp using multisim | how to build peak detector using multisim designing and measuring basic and precision opamp peak detector circuits using multisim software.

Related : Light Detector Circuit Using Op Amp : Sometimes the precious metals are hidden too deep and are not detected except with complicated..